film_1
film_2
film_3
film_4
film_5
Aktualizováno: 6. 5. 2026 
 
 





TOPlist  
DE  EN  PL

Automatika traťových oddílů „malého okruhu” dvoukolejné trati



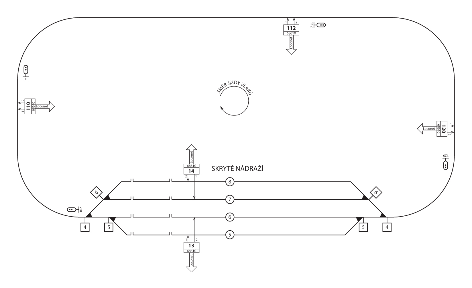
Traťové oddíly „malého okruhu”   Skryté nádraží je vyřešeno. Při rozboru funkcionality skrytého nádraží bylo nutné zahrnout do schématu nejbližší traťové oddíly, které „odebírají” nebo „dodávají” soupravy do skrytého nádraží. Ale jak pokračovat dále? Budeme se věnovat širé trati a traťovým oddílům a uzavřeme celý ovál „malého okruhu” dvoukolejné trati do funkčního celku. Systém LISSY nabízí jednu z funkcí automatiky „Traťový oddíl” a základním stavebním prvkem jsou přijímače LISSY 68610. Minimální počet traťových oddílů jsou 3, aby tato funkce automatiky mohla být realizována. Maximální počet vlaků, který se může zároveň pohybovat v oddílech je n-1, kde n je počet traťových oddílů.

  Schéma traťových oddílů „malého okruhu” (liché koleje hlavní dvoukolejné trati). Krajní dva traťové oddíly navazují přímo na dříve popsané skryté nádraží. Doplněním dalšího traťového oddílu dostaneme následující schéma:

Schéma traťových oddílů „malého okruhu”

  Popišme si v bodech průjezd soupravy vlaku traťovými oddíly.

  • Ve výchozím stavu jsou všechny traťové oddíly prázdné. Soupravy vlaků jsou ve skrytém nádraží. Žádné návěstidlo zobrazené ve schématu nemusí být fyzicky na kolejišti.
  • Vlak vyjíždí ze skrytého nádraží k návěstidlu 110. Lokomotiva přejíždí čidla LISSY přijímače 110 a staví odjezdové návěstidlo ze skrytého nádraží 102 na stůj. Návěstidlo 110 povoluje jízdu vlaku do dalšího oddílu.
  • Vlak přijíždí k návěstidlu 112, lokomotiva přejíždí čidla LISSY přijímače 112 a staví předchozí návěstidlo 110 na stůj. Zároveň staví návěstidlo 102 na volno. Tento oddíl je obsazen a do předchozího nyní volného oddílu může vjet další souprava vlaku ze skrytého nádraží. Návěstidlo 112 povoluje jízdu vlaku do dalšího oddílu.
  • Vlak přijíždí k návěstidlu 120, lokomotiva přejíždí čidla LISSY přijímače 120 a staví předchozí návěstidlo 112 na stůj. Tento oddíl je obsazen. Zároveň staví návěstidlo 110 na volno, protože předchozí oddíl už vlak uvolnil.
  • Návěstidlo 120 je posledním na trati a zároveň je vjezdovým návěstidlem do skrytého nádraží. Pokud je návěstidlo 120 postaveno na volno, pokračuje souprava vlaku do skrytého nádraží. V opačném případě čeká na vjezdu do skrytého nádraží u návěstidla 120.

Programovací tabulka LISSY přijímače (68610 adresa 110) pro traťový oddíl.

LNCV HodnotaVýznam
0 110 Adresa modulu
2 7 Traťový (nebo staniční) oddíl
6 110 Sleduje návěstidlo 110
7 102|0 Návěstidlo 102 na stůj - kolej ve skrytém nádraží je volná
8 ...|1 Předchozí návěstidlo ... na volno, tato volba nemusí být použita
10 0 Oddílová volba - oddíl hlásí „volný”, přepne-li se návěstidlo 110 na stůj

Programovací tabulka LISSY přijímače (68610 adresa 112) pro traťový oddíl.

LNCV HodnotaVýznam
0 110 Adresa modulu
2 7 Traťový (nebo staniční) oddíl
6 112 Sleduje návěstidlo 112
7 110|0 Návěstidlo 110 na stůj - předchozí oddíl je volný
8 102|1 Předchozí návěstidlo 102 na volno
10 0 Oddílová volba - oddíl hlásí „volný”, přepne-li se návěstidlo 110 na stůj

Programovací tabulka LISSY přijímače (68610 adresa 120) pro traťový oddíl.

LNCV HodnotaVýznam
0 120 Adresa modulu
2 7 Traťový (nebo staniční) oddíl
6 120 Sleduje návěstidlo 120
7 112|0 Návěstidlo 112 na stůj - předchozí oddíl je volný
8 110|1 Předchozí návěstidlo 110 na volno
10 0 Oddílová volba - oddíl hlásí „volný”, přepne-li se návěstidlo 110 na stůj

  Teď již zbývá jen propojit odzkoušené části automatiky skrytého nádraží a traťových oddílu do funkčního celku. Pohledem do schématu můžeme říci, že se celý ovál „malého okruhu” dvoukolejné trati jeví jako čtyři traťové oddíly s tím, že v jednom z traťových oddílů je skupina kolejí skrytého nádraží pro střídání souprav vlaků se společným skupinovým odjezdovým návěstidlem 102.

Schéma „malého okruhu”

Posledním bodem je sestavení kompletních programovacích tabulek všech LISSY přijímačů. Dojde pouze k doplnění určitých LNCV, kterými budou mezi sebou provázány funkce traťových oddílů a skrytého nádraží. Tyto změny jsou následujících tabulkách barevně zvýrazněny. Nejdříve programovací tabulka LISSY přijímače (68610 adresa 110) pro traťový oddíl.

LNCV HodnotaVýznam
0 110 Adresa modulu
2 7 Traťový (nebo staniční) oddíl
6 110 Sleduje návěstidlo 110
7 102|0 Návěstidlo 102 na stůj - kolej ve skrytém nádraží je volná
8 120|1 Předchozí návěstidlo 120 na volno - povolen vjezd na volnou kolej skrytého nádraží
10 0 Oddílová volba - oddíl hlásí „volný”, přepne-li se návěstidlo 110 na stůj

Programovací tabulka LISSY přijímače (68610 adresa 112) pro traťový oddíl.

LNCV HodnotaVýznam
0 110 Adresa modulu
2 7 Traťový (nebo staniční) oddíl
6 112 Sleduje návěstidlo 112
7 110|0 Návěstidlo 110 na stůj - předchozí oddíl je volný
8 102|1 Předchozí návěstidlo 102 na volno
10 0 Oddílová volba - oddíl hlásí „volný”, přepne-li se návěstidlo 110 na stůj

Programovací tabulka LISSY přijímače (68610 adresa 120) pro traťový oddíl.

LNCV HodnotaVýznam
0 120 Adresa modulu
2 7 Traťový (nebo staniční) oddíl
6 120 Sleduje návěstidlo 120
7 112|0 Návěstidlo 112 na stůj - předchozí oddíl je volný
8 110|1 Předchozí návěstidlo 110 na volno
10 0 Oddílová volba - oddíl hlásí „volný”, přepne-li se návěstidlo 110 na stůj

Programovací tabulka LISSY přijímače (68610 adresa 13) pro obsluhu staničních kolejí 5 a 6. Jeden LISSY přijímač ve spínacím režimu s nezávislými senzory obsluhuje dvě koleje.

LNCV HodnotaVýznam
0 13 Adresa modulu a zároveň adresa prvního senzoru
1 113 Adresa druhého senzoru
2 3 Spínání jednotlivými nezávislými senzory
Stanovení adres lokomotiv oprávněných vykonávat příkazy
80 20000 1. senzor - adresy lokomotiv ==> všechny lokomotivy (všeobecná adresa)
81 20000 1. senzor - adresy lokomotiv ==> všechny lokomotivy (všeobecná adresa)
82 20000 1. senzor - adresy lokomotiv ==> všechny lokomotivy (všeobecná adresa)
83 20000 1. senzor - adresy lokomotiv ==> všechny lokomotivy (všeobecná adresa)
84 20000 1. senzor - adresy lokomotiv ==> všechny lokomotivy (všeobecná adresa)
85 20000 2. senzor - adresy lokomotiv ==> všechny lokomotivy (všeobecná adresa)
86 20000 2. senzor - adresy lokomotiv ==> všechny lokomotivy (všeobecná adresa)
87 20000 2. senzor - adresy lokomotiv ==> všechny lokomotivy (všeobecná adresa)
88 20000 2. senzor - adresy lokomotiv ==> všechny lokomotivy (všeobecná adresa)
89 20000 1. senzor - adresy lokomotiv ==> všechny lokomotivy (všeobecná adresa)
Příkazy pro vjezd vlaku na kolej 5 a přípravu vlakové cesty pro odjezd z koleje 6
90 120|0 1. senzor - návěstidlo 120 na stůj
91 5|1 1. senzor - kolej 5 uvolnit
92 0 1. senzor - kolej 6 aktivovat (netřeba vykonávat žádný příkaz)
93 12|1 1. senzor - příkaz pro přehození přestavníků
94 112|1 1. senzor - předchozí návěstidlo 112 na volno
Příkazy pro vjezd vlaku na kolej 6 a přípravu vlakové cesty pro odjezd z koleje 7
95 120|0 2. senzor - návěstidlo 120 na stůj
96 0 2. senzor - kolej 6 uvolnit (netřeba vykonávat žádný příkaz)
97 7|0 2. senzor - kolej 7 aktivovat
98 12|1 2. senzor - příkaz pro přehození přestavníků
99 112|1 2. senzor - předchozí návěstidlo 112 na volno

Programovací tabulka LISSY přijímače (68610 adresa 14) pro obsluhu staničních kolejí 7 a 8. Jeden LISSY přijímač ve spínacím režimu s nezávislými senzory obsluhuje dvě koleje.

LNCV HodnotaVýznam
0 14 Adresa modulu a zároveň adresa prvního senzoru
1 114 Adresa druhého senzoru
2 3 Spínání jednotlivými nezávislými senzory
Stanovení adres lokomotiv oprávněných vykonávat příkazy
80 20000 1. senzor - adresy lokomotiv ==> všechny lokomotivy (všeobecná adresa)
81 20000 1. senzor - adresy lokomotiv ==> všechny lokomotivy (všeobecná adresa)
82 20000 1. senzor - adresy lokomotiv ==> všechny lokomotivy (všeobecná adresa)
83 20000 1. senzor - adresy lokomotiv ==> všechny lokomotivy (všeobecná adresa)
84 20000 1. senzor - adresy lokomotiv ==> všechny lokomotivy (všeobecná adresa)
85 20000 2. senzor - adresy lokomotiv ==> všechny lokomotivy (všeobecná adresa)
86 20000 2. senzor - adresy lokomotiv ==> všechny lokomotivy (všeobecná adresa)
87 20000 2. senzor - adresy lokomotiv ==> všechny lokomotivy (všeobecná adresa)
88 20000 2. senzor - adresy lokomotiv ==> všechny lokomotivy (všeobecná adresa)
89 20000 2. senzor - adresy lokomotiv ==> všechny lokomotivy (všeobecná adresa)
Příkazy pro vjezd vlaku na kolej 7 a přípravu vlakové cesty pro odjezd z koleje 8
90 120|0 1. senzor - návěstidlo 120 na stůj
91 7|1 1. senzor - kolej 7 uvolnit
92 8|0 1. senzor - kolej 8 aktivovat
93 12|1 1. senzor - příkaz pro přehození přestavníků
94 112|1 1. senzor - předchozí návěstidlo 112 na volno
Příkazy pro vjezd vlaku na kolej 8 a přípravu vlakové cesty pro odjezd z koleje 5
95 120|0 2. senzor - návěstidlo 120 na stůj
96 8|1 2. senzor - kolej 8 uvolnit
97 5|0 2. senzor - kolej 5 aktivovat
98 12|1 2. senzor - příkaz pro přehození přestavníků
99 112|1 2. senzor - předchozí návěstidlo 112 na volno

Programovací tabulka spínacího modulu (63410 adresa 3) pro obsluhu analogových prvků (relé napájení srdcovek a přestavníků výhybek) skrytého nádraží zůstává beze změny.



Další informační zdroje:


WebArchiv WebArchiv


WebArchiv - archiv českého webu

Licence Licence


Licence Creative Commons

Kontakt


@vlacky.com

Info Info

  • Aktualizováno: 4.4.2015
  • Celkem přečteno: 5703x
  • Naposledy: dnes v 04:46

Datové zdroje Datové zdroje


Datový zdroj YouTube
Datový zdroj PeerTube

Ikona webu Ikona webu


ikona webu

Kooperace


partnerský web www.TTkatalog.cz partnerský web www.MaleModely.cz

Reportáž Poslední navštívené reportáže